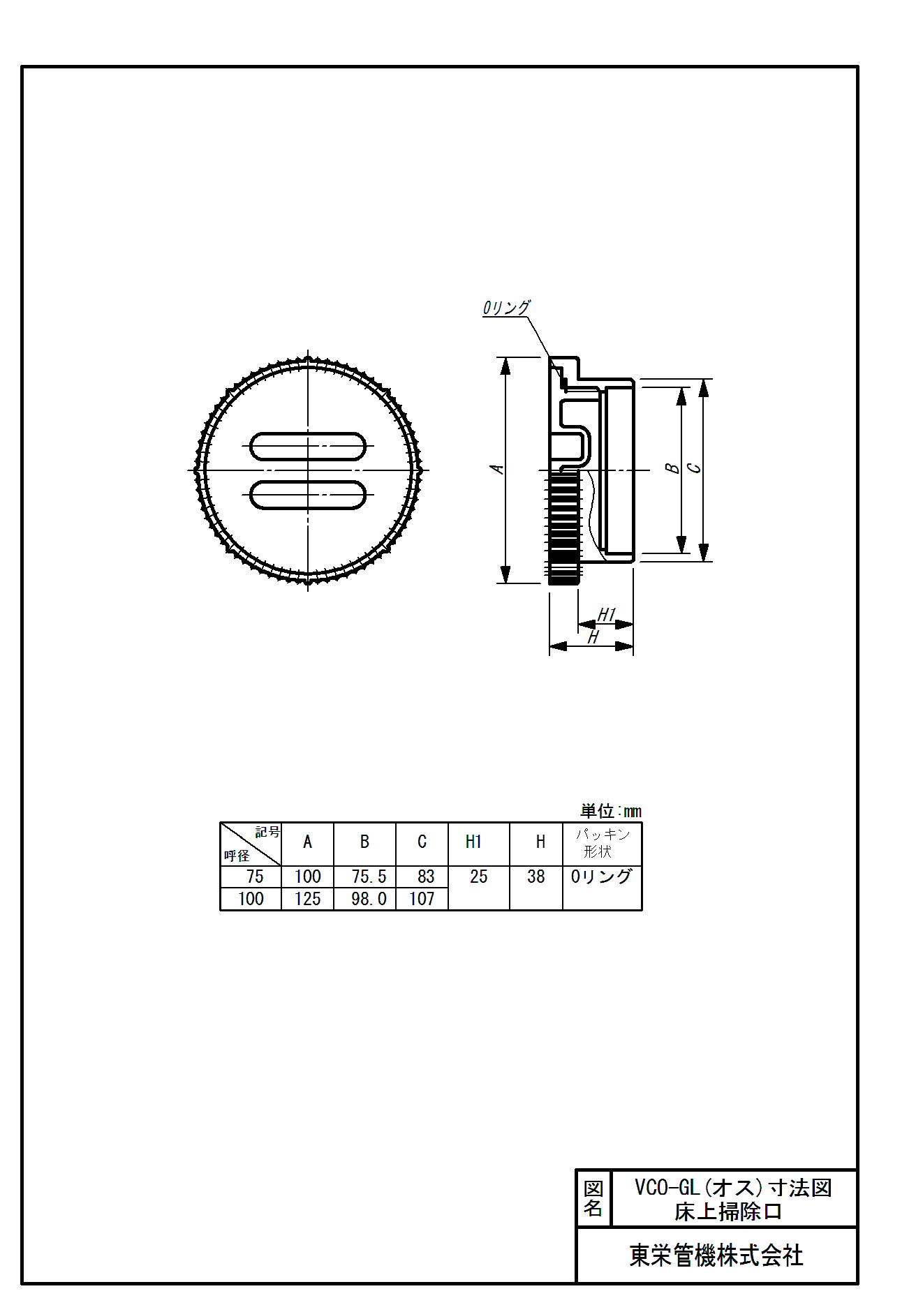
掃除口関連 床上掃除口
| サイズ | カラー | 製品番号 | Tコード | 備考 | 入数 | 設計価格(円) |
|---|---|---|---|---|---|---|
| 75 | - | 170615 | VCO-GL_75 | 18 | 1,630 | |
| 100 | - | 170623 | VCO-GL_100 | 12 | 2,220 |
カラーの欄に"-"が表示されている場合、カラーが指定されていない製品になります。写真等でご確認をお願いいたします。
製品写真
無圧用途
VUパイプ内径接合。