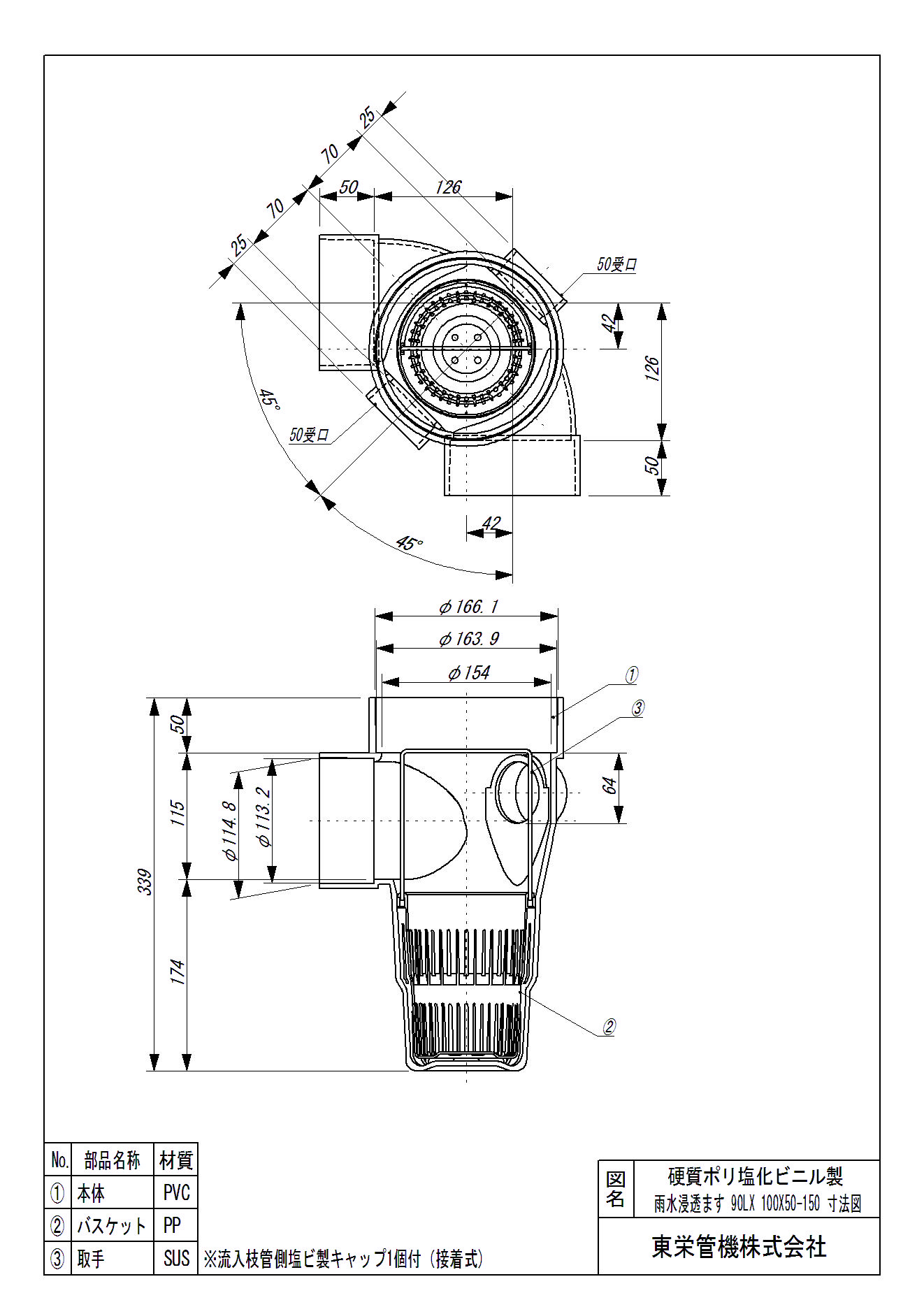
塩ビ製
雨水浸透マス 90度曲り内外合流

サイズカラー製品番号Tコード備考入数設計価格(円)
100x50x150 - 128805TSM-90LX_100x50-1502 6,070
入数に(A)/B表記がある場合は(A)内は小箱の入り数、Bは通常箱の入り数になります。
カラーの欄に"-"が表示されている場合、カラーが指定されていない製品になります。写真等でご確認をお願いいたします。

製品写真



雨水を計画的・効果的に浸透・排水に導きます。
泥溜めバスケット付き

印刷用のPDFファイルを表示
ZIPファイルをダウンロード